Ref.No. | Part No. | Description | Oty |
---|---|---|---|
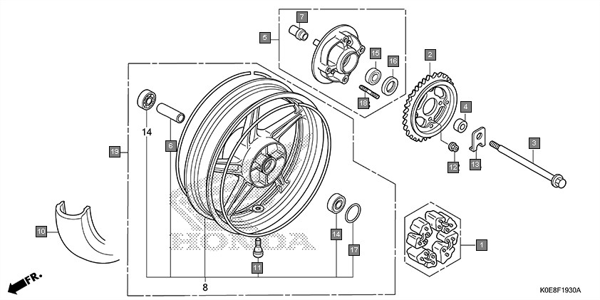
1 | 06410KSP900 | DAMPER SET, WHEEL | 1 |
2 | 41200K0ED00 | SPROCKET COMP., FINAL DRIVEN (45T) | 1 |
3 | 42301K0ED00 | AXLE, RR. WHEEL | 1 |
4 | 42311K0ED00 | COLLAR, L. RR. WHEEL SIDE | 1 |
5 | 42615K0ED00ZB | FLANGE SUB ASSY., FINAL DRIVEN *NH105* MAT BLACK(#15-#20) | 1 |
6 | 42620K0ED00 | COLLAR, RR. WHEEL DISTANCE | 1 |
7 | 42303K0ED00 | SLEEVE, RR. WHEEL | 1 |
8 | 42650K0ED00ZA | WHEEL SUB ASSY., RR. *NH303M* MAT AXIS GRAY METALLIC | 1 |
9 | 42711K0ED01 | TIRE, RR.(MRF) (130/70-17 M/C 62P) | 1 |
10 | 42753K24G11 | VALVE, RIM(ACCURA) | 1 |
11 | 42753KWF901 | VALVE, RIM(TRITON) | 1 |
12 | 90304KTE911 | NUT, FLANGE SPECIAL, 10MM (SIMMODS MARSHALL) | 4 |
13 | 90560KSP900 | WASHER, R. RR. AXLE | 1 |
14 | 91051KPPN01 | BEARING, RADIAL BALL, 6302U (FAG) | 2 |
15 | 91053K21901 | BEARING, RADIAL BALL, 6004UU (NEI) | 1 |
16 | 91257230003 | OIL SEAL, 28X42X7(ARAI) | 1 |
17 | 91352KSP900 | O-RING, 51X2 | 1 |
18 | 90128K45N00 | BOLT, STUD, 10X22 | 4 |